Marknadens mest kostnadseffektiva reningsverk. Sverigeanpassad premiummodell med förstärkt konstruktion – exklusivt hos ASIO Sweden.
VARIOcomp bygger på enkel, beprövad teknik. Inga avancerade styrenheter eller elektronik som kan strula – bara robust funktionalitet.
Marknadens billigaste fullt fungerande minireningsverk – utan kompromisser på kvalitet eller reningsresultat.
Ingen styrenhet, inga ventiler, inga pumpar i tanken. Bara en kompressor och en timer utanför tanken – enkelt att byta vid behov.
Teknik som håller elanvändningen till ett minimum. Drift med en energisnål kompressor som är näst intill underhållsfri.
Ingen separat grovrenstank behövs. Alla behandlingssteg sker i en och samma kompakta enhet, vilket förenklar installationen.
Över 20 000 installationer i Europa. En mogen konstruktion som kontinuerligt förbättrats under årtionden av praktisk drift.
Vår Premiummodell med förstärkt botten gör att hela verket står stabilt på en vanlig grusbädd. Du slipper anlita byggfirma för att gjuta en dyr och komplicerad betongplatta, vilket gör installationen både enklare och billigare.
Svensk installationsguide medföljer. Ansluts med vanlig stickpropp – ingen behörig elektriker krävs.
Reningsprocessen bygger på stabila aeroba biologiska processer som bevisats genom långvarig användning i praktiken.
VARIOcomp installeras på en till två dagar med vanlig grävmaskin. Så här går det till:
Gräv en grop anpassad efter modellens mått. Tack vare den förstärkta botten förbereder du bara med en smidig grusbädd (ingen dyr betonggjutning).
Sänk ner tanken i gropen och rikta in den mot in- och utlopp.
Anslut avloppsrör och elmatning. Fyll runt tanken med grus.
Starta kompressorn och timern. Anläggningen är klar att användas.



Reningsverket finns i storlekar från 5 till 20 PE (personekvivalenter). 1 PE motsvarar ungefär den mängd avloppsvatten och föroreningar som en genomsnittlig person producerar per dygn i ett hushåll.
Behöver du en större anläggning? Kontakta oss för offert.
| Modell | PE | Q (m³/dag) |
BOD₅ (kg/dag) |
Effekt (W) |
|---|---|---|---|---|
| AS-VARIOcomp 5K | 3–7 | 0,75 | 0,30 | 40 |
| AS-VARIOcomp 8K | 6–10 | 1,2 | 0,48 | 50 |
| AS-VARIOcomp 12K | 10–13 | 1,8 | 0,72 | 95 |
| AS-VARIOcomp 15K | 13–17 | 2,25 | 0,9 | 75 |
| AS-VARIOcomp 20K | 18–24 | 3,0 | 1,2 | 95 |
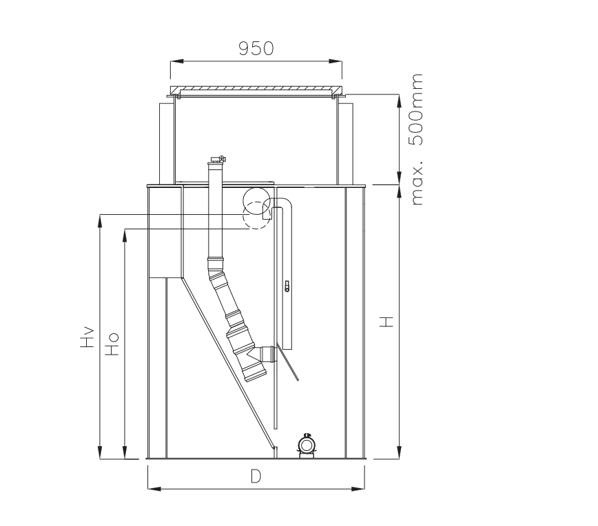
| Modell | D (mm) |
Höjd (mm) |
Max. mått a × b (mm) |
Hv Inlopp (mm) |
Ho Utlopp (mm) |
Vikt (kg) |
|---|---|---|---|---|---|---|
| AS-VARIOcomp 5K | 1 200 | 2 020 | 1 250 × 1 250 | 1 350 | 1 270 | 170 |
| AS-VARIOcomp 8K | 1 480 | 2 020 | 1 500 × 1 500 | 1 350 | 1 270 | 260 |
| AS-VARIOcomp 12K | 1 925 | 2 030 | 2 000 × 2 000 | 1 350 | 1 270 | 390 |
| AS-VARIOcomp 15K | 1 700 | 2 800 | 1 740 × 1 740 | 2 100 | 2 020 | 450 |
| AS-VARIOcomp 20K | 1 945 | 2 810 | 2 000 × 2 000 | 2 100 | 2 020 | 700 |
Sidovy – AS-VARIOcomp 5–20K
Ovanvy – AS-VARIOcomp 5–20K
Vilken modell passar dig bäst?
* Behovet av fosforfällning beror på kommunens krav och installationstyp. Vid installation med efterföljande infiltration kan kraven i vissa kommuner uppfyllas utan separat fosforfällning. Kontakta oss för rådgivning kring just din situation.
En transparent översikt över alla kostnader – inga dolda avgifter.
Priserna avser installation exklusive reningsverket och är uppskattade för normala markförhållanden. ROT-avdrag (30 %) kan tillämpas på arbetskostnaden. Faktisk kostnad varierar beroende på markförhållanden och lokala förutsättningar. Kontakta oss för en individuell bedömning.